Bảng Mạch Điều Khiển Nguồn Sạc Pin Thông Minh Xh-M601 12v Chất Lượng Cao
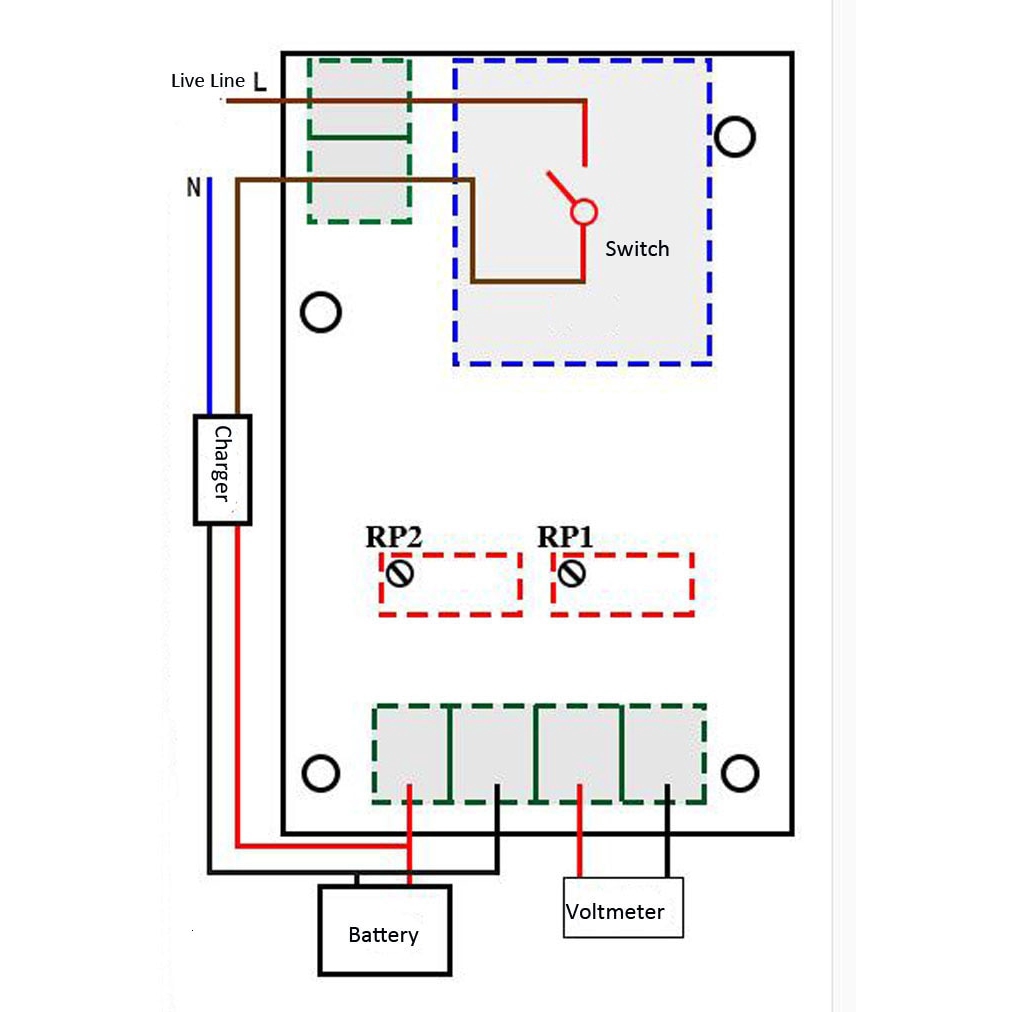
Thời gian giao hàng dự kiến cho sản phẩm này là từ 7-9 ngày Bảng mạch điều khiển sạc nguồn pin thông minh Xh-M601 12v Mô tả sản phẩm: 1. Loại sản phẩm: Bảng mạch điều khiển nguồn sạc 12V 2. Model: XH-M601 3. Điện áp cung cấp: 13,8-14,8V 4. Điện áp hoạt động củ
yoguyang.vn
@yoguyang.vnĐánh giá
Theo Dõi
Nhận xét
Thời gian giao hàng dự kiến cho sản phẩm này là từ 7-9 ngày Bảng mạch điều khiển sạc nguồn pin thông minh Xh-M601 12v Mô tả sản phẩm: 1. Loại sản phẩm: Bảng mạch điều khiển nguồn sạc 12V 2. Model: XH-M601 3. Điện áp cung cấp: 13,8-14,8V 4. Điện áp hoạt động của rơ le: 12.4V 5. Rơle ngắt điện áp: 14.8V 6. Dung sai điện áp: +/- 0,1V 7. Cách kiểm tra điện áp: Vôn kế DC 8. Loại sạc: Ắc quy lưu trữ 12V 9. Điều chỉnh điện áp: RP1 RP2 10. Kích thước: 50 * 32 * 18mm Điều chỉnh điện áp: 1. RP1: điều chỉnh điện áp sạc pin lưu trữ (cài đặt điện áp thấp: theo chiều kim đồng hồ trở nên cao hơn, ngược chiều kim đồng hồ trở nên thấp hơn) 2. RP2: pin lưu trữ có thể điều chỉnh ngắt điện áp sạc (cài đặt điện áp thấp: theo chiều kim đồng hồ trở nên cao hơn, ngược chiều kim đồng hồ trở nên thấp hơn) Gói hàng bao gồm: 1 bảng mạch điều khiển nguồn sạc pin XH-M601 Trước khi đặt hàng: 1. Tất cả các sản phẩm có sẵn hàng trong kho và chúng tôi sẽ gửi hàng ngay khi chúng tôi nhận được đơn đặt hàng. 2. Vui lòng đọc mô tả sản phẩm, nếu bạn có bất kỳ câu hỏi nào, đừng ngần ngại liên hệ với chúng tôi. Sau khi mua: 1. Nếu bạn hài lòng với sản phẩm, hãy cho chúng tôi một đánh giá 5 sao. 2. Xin vui lòng liên hệ với chúng tôi trước khi bạn để lại phản hồi tiêu cực. Chúng tôi sẽ hỗ trợ bạn và sẽ giải quyết mọi vấn đề. Nếu bạn nhận được sản phẩm bị lỗi, xin vui lòng liên hệ với chúng tôi kèm hình ảnh và video. # 12V #Battery #Charging #Control #Board # XH-M601 #Intelligent #Charger #Power #Control #Panel #Automatic #Charging #Power
Sản Phẩm Tương Tự
Bảng Mạch Khuếch Đại Âm Thanh Pam8403 5v 2 Kênh Điều Khiển Âm Lượng 3W / Với Nguồn Usb
14.000₫
Đã bán 3
RIRIHI Bảng mạch điều khiển nguồn 220V với bộ chuyển đổi làm sạch siêu âm 40khz
322.000₫
Đã bán 14
Sản Phẩm Liên Quan
Máy khò Quick850A Quick 850A 220V/270W/ 4kg hàng chính hãng bảo hành 03 tháng .
1.780.000₫
Đã bán 1
Pin Laptop DELL Latitude E7280 E7480 7280 7480 7490 13 7380 7390 F3YGT MYJ96 DJ1J0
679.000₫
5.290.000₫
Đã bán 11
