Khối nhôm dẫn nhiệt Mk8
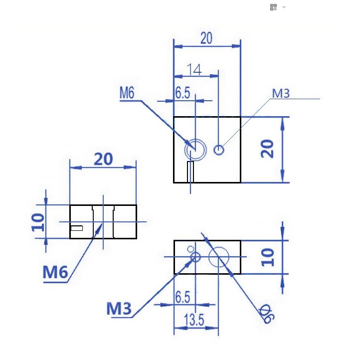
Khối nhôm dẫn nhiệt MK8 dành cho máy in 3D Có tác dụng gia nhiệt đầu in cho máy in 3D, được gia công CNC chính xác và được làm từ chất liệu nhôm nên dẫn nhiệt rất tốt. LinhKienBKS chuyên cung cấp các linh kiện giá rẻ, mô hình đồ án, nghiên cứu khoa học theo yêu cầu,
LinhkienBKS
@linhkienbksĐánh giá
Theo Dõi
Nhận xét
Khối nhôm dẫn nhiệt MK8 dành cho máy in 3D Có tác dụng gia nhiệt đầu in cho máy in 3D, được gia công CNC chính xác và được làm từ chất liệu nhôm nên dẫn nhiệt rất tốt. LinhKienBKS chuyên cung cấp các linh kiện giá rẻ, mô hình đồ án, nghiên cứu khoa học theo yêu cầu, Ship code trên toàn quốc Liên hệ để nhận giá ưu đãi và hỗ trợ kỹ thuật LH: 0589.294.434 https://www.facebook.com/doangiaresv
Sản Phẩm Tương Tự
Sản Phẩm Liên Quan
Mũ Nón bảo hiểm xe máy 3/4 đầu kính âm mầu trà khói chống lóa, chống bụi Royal M139 nhiều mầu SIZE
518.000₫
Đã bán 2
12000lm h4 led đèn pha xe máy bóng đèn csp moto trắng vàng hi-lo beam phụ kiện xe máy 6000k 12v 1pc
55.200₫
Đã bán 17
245.000₫
Đã bán 2
144.000₫
Đã bán 1
Đế nhựa bắt két nước tản nhiệt Click Vario, AB, Lead, SH mode, SHVN hãng Win
242.550₫
Đã bán 4
