






Quạt Tản Nhiệt 12025 24V DC Không Chổi Than Với Chức Năng Làm Mát FG
Thông số quạt 24v: Nguồn điện áp: 24V Dòng làm việc: 0,18A Tốc độ chạy: 2500 vòng / phút Khối lượng không khí của quạt: 80CFM Giá trị tiếng ồn của quạt: 39 ổ bi decibel: ổ bi đôi có độ ch...

Michine
@michineĐánh giá
Theo Dõi
Nhận xét
Thương hiệu
OEM
Xuất xứ thương hiệu
China
Xuất xứ (Made in)
China
Sản phẩm có được bảo hành không?
Không
Chất liệu
null
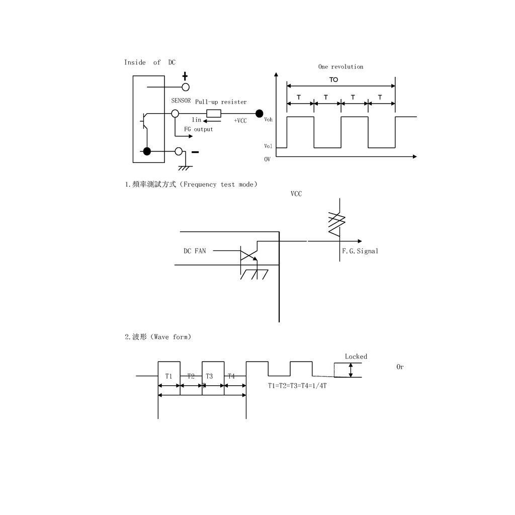
Thông số quạt 24v: Nguồn điện áp: 24V Dòng làm việc: 0,18A Tốc độ chạy: 2500 vòng / phút Khối lượng không khí của quạt: 80CFM Giá trị tiếng ồn của quạt: 39 ổ bi decibel: ổ bi đôi có độ chính xác cao Kích thước: 120 X 120 X 25mm Khu vực ứng dụng: điện tử, biến tần, thiết bị điện, tủ, khung, thiết bị cơ khí, máy hàn, thiết bị y tế, thiết bị gia dụng, đèn LED, thiết bị giao tiếp, thiết bị thiết bị, thông gió đồng hồ đo và tản nhiệt. Giới thiệu chức năng Fg và RD Quạt có chức năng FG sẽ tạo ra đầu ra sóng vuông, bạn có thể hiểu tốc độ quạt bằng cách cảm nhận tần số sóng đầu ra. Hầu hết các quạt DC là bốn cực, vì vậy khi quạt chạy theo vòng tròn, sẽ có hai xung cao. Đối với các quạt không chổi than nhiều cực khác, xung cao cấp sẽ khác nhau. Nhưng xin lưu ý rằng nếu bạn muốn cảm nhận sóng đầu ra của nó, có một mạch bên ngoài. Vui lòng kiểm tra biểu đồ mạch bên dưới. Không có hạn chế về giá trị kéo lên và giá trị VCC. Nhưng xin lưu ý rằng Max Iin phải nhỏ hơn 20mA. Lưu ý: Nếu bạn cần các thông số kỹ thuật khác nhau, vui lòng tham khảo dịch vụ khách hàng. Giá sản phẩm trên Tiki đã bao gồm thuế theo luật hiện hành. Bên cạnh đó, tuỳ vào loại sản phẩm, hình thức và địa chỉ giao hàng mà có thể phát sinh thêm chi phí khác như phí vận chuyển, phụ phí hàng cồng kềnh, thuế nhập khẩu (đối với đơn hàng giao từ nước ngoài có giá trị trên 1 triệu đồng).....
Sản Phẩm Tương Tự
Quạt Tản Nhiệt Không Ồn Kích Thước Lớn 75CFM DC 24V Ec0252B3-000C-A99 G99 12025 2.0W 12cm
126.011₫
Sản Phẩm Liên Quan
Máy Xay Cà Phê Bằng Tay Xiaomi Youpin Có Thể Điều Chỉnh Độ Chính Xác Cao Kèm Tay Cầm Mở Rộng
508.000₫










